Промежуточный штуцер ESAB Intermediate Nozzle D2. Артикул 0455072002.
Промежуточный штуцер ESAB Intermediate Nozzle D2 предназначен для блоков подачи проволоки ESAB Origo Feed 304/484, M13.

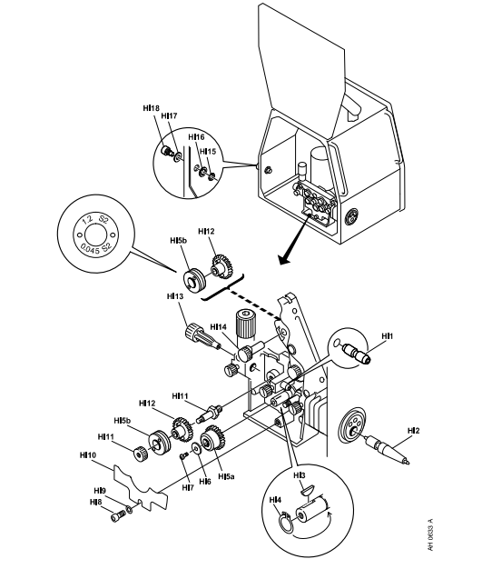
Быстроизнашиваемые детали

Предназначен для полуавтоматов ESAB Origo Mig C280 PRO PSF250 (Origo Mig C280 PRO 4WD, Origo Mig C280 PRO с вольтамперметром), а также для полуавтомата ESAB Origo Mig C340 PRO 4WD с вольтамперметром с серийными номерами 627-xxx-xxxx, 119-xxx-xxxx.
Подающие механизмы ESAB Feed Mechanism Origo C280 PRO (0459000884) и ESAB Feed Mechanism Origo C340 PRO (0459000883).
| Элемент | Наименование | Артикул | Описание |
|
A |
Ролик подающий ESAB Feed roller 0.8/0.9-1.0S2 |
0459052002C |
Ø 0.8-1.0 мм сталь, нержавейка и порошковая проволока; V-образный паз |
|
Ролик подающий ESAB Feed roller 0.9-1.0/1.2S2 (1.0/1.2мм) |
0459052003C |
Ø 1.0-1.2мм сталь, нержавейка и порошковая проволока; V-образный паз | |
|
Ролик подающий ESAB Feed Roller 0.9-1.0/1.2R2 |
0458825001 |
V-образный паз, накатанный. | |
|
Ролик подающий ESAB Feed Roller 1.2/1.4R2 |
0458825002 |
Ø 1.2-1.4мм V-образный паз, накатанный. | |
|
Ролик подающий ESAB Feed Roller 0.8/1.0A2 |
0458824001 |
Ø 0.8-1.0мм Алюминиевая проволока, U-образный паз. | |
|
Ролик подающий ESAB Feed Roller 1.0/1.2A2 |
0458824002 |
Ø 1.0-1.2мм Алюминиевая проволока, U-образный паз. | |
|
Ролик подающий ESAB Feed Roller 1.2/1,6A2 |
0458824003 |
Ø 1.2-1.6мм Алюминиевая проволока, U-образный паз. | |
| B | Gear adapter | 0455053880 |
|
| С | Drive gear | 0455052001 |
|
|
D |
Сопло входное ESAB Inlet Nozzle 3.0мм EURO |
0455049001 |
Ø 3.0мм пластик для 0.6-1.6мм стали, нержавейки, алюминиевой и порошковой проволоки |
|
Сопло входное ESAB Inlet Nozzle 1.2-2.0мм FCW WFU |
0332318001 |
Ø 2.4мм сталь | |
|
E |
Промежуточный штуцер ESAB Intermediate Nozzle D2 |
0455072002 |
|
|
Штуцер промежуточный ESAB Intermediate Nozzle EURO |
0456615001 |
Алюминиевая проволока | |
|
F |
Штуцер выходной ESAB Fe |
0469837880C |
Ø 2.0мм сталь для 0.6-1.6мм проволоки |
|
Штуцер выходной ESAB Al |
0469837881 |
Ø 2.0мм пластик для 0.8-1.6мм алюминиевой проволоки |
Ролики помечены размером проволоки в мм, некоторые также отмечены дюймами.
Механизм подачи для аппаратов ESAB Mig C280 PRO, Mig C340 PRO

Сварка алюминиевыми проволоками
Для сварки алюминиевыми проволоками НЕОБХОДИМО использовать соответствующие ролики, насадки и вкладыши для алюминиевых проволок. Рекомендуется использовать полуавтоматическую сварочную горелку длиной 3 м для алюминиевой проволоки, оснащенный соответствующими износостойкими деталями.
Для покупки товара в нашем интернет-магазине выберите понравившийся товар и добавьте его в корзину. Далее перейдите в Корзину и нажмите на «Оформить заказ» или «Быстрый заказ».
Когда оформляете быстрый заказ, напишите ФИО, телефон и e-mail. Вам перезвонит менеджер и уточнит условия заказа. По результатам разговора вам придет подтверждение оформления товара на почту или через СМС. Теперь останется только ждать доставки и радоваться новой покупке.
Оформление заказа в стандартном режиме выглядит следующим образом. Заполняете полностью форму по последовательным этапам: адрес, способ доставки, оплаты, данные о себе. Советуем в комментарии к заказу написать информацию, которая поможет курьеру вас найти. Нажмите кнопку «Оформить заказ».
«Компания ТНД» — официальный дистрибьютор концернов ESAB и GCE KRASS. Мы предлагаем удобные и гибкие способы оплаты, адаптированные как для юридических лиц (организаций), так и для физических лиц.
Для юридических лиц:
- Оплата по безналичному расчёту с НДС. Оформление происходит на основании выставленного счёта, спецификации или договора, который оформляют наши менеджеры.
- После подтверждения оплаты (поступления денежных средств на наш расчётный счёт) возможна отгрузка: самовывоз с нашего склада или доставка через транспортные компании. При оформлении отгрузки предоставляются оригиналы документов — товарная накладная ТОРГ-12 и счёт-фактура.
- Отсрочка платежа: возможна для организаций при заключении долгосрочных договорных отношений.
Для физических лиц:
- При самовывозе в офисе: оплата наличными или картой.
- Онлайн-оплата: по выставленному счёту через сервис электронных платежей Юмани. На сайте Юмани можно оплатить с любой российской банковской карты (Visa, Mastercard, UnionPay, «Мир»), даже если карта не привязана к кошельку. Поддерживаются также платежи из электронных кошельков, через интернет-банкинг, наличными, по QR-кодам и др.
- Рассрочка через Т-Банк: решение по заявке занимает 1–2 минуты, оформление происходит через СМС-подписание без встреч и лишних документов. Условия индивидуальны и зависят от суммы и срока, обычно рассрочка предоставляется на сумму от 3 до 200 тысяч рублей на срок от 3 месяцев до 3 лет.
- Оплата при получении товара: оплата наличными или картой курьерским службам (CDEK, «Достависта») либо через Почту России.
Наши специалисты всегда готовы помочь вам выбрать наиболее удобный способ оплаты и оформить заказ на качественную продукцию ESAB и GCE KRASS.
Обратите внимание, что для некоторых товаров со статусом «НЕТ В НАЛИЧИИ» или «под заказ» менеджер может запросить предоплату для оформления заказа.
Для юридических лиц
(по предоплате или по договору с отсрочкой)
- Доставка по РФ через ТК "Деловые линии" (бесплатно до терминала в Москве)
- Доставка любой транспортной компанией на Ваш выбор
- Доставка по Москве и Московской области
- Бесплатная доставка электродов ОК 46.00 по Москве (внутри МКАД) от 150 кг
- Доставка через СДЭК
- Самовывоз с оптового склада: ул. Плеханова, 12с4
Для физических лиц
(предоплата или оплата при получении)
- Курьер по Москве (внутри МКАД): от 400 руб. (до 10 кг)
- Экспресс-доставка Яндекс GO по тарифам сервиса
- Почта России (не более 100 000 руб.)
- СДЭК (пункты выдачи: склад-склад и курьерская доставка склад-дверь, бесплатная отправка до склада в Москве)
- Транспортные компании: "Деловые линии" или любая на выбор
- Самовывоз из магазина Москва, ул.Электродная 11, оф.107


