Типы упаковок сварочных проволок производства ESAB
Описание типов упаковок сварочной проволоки ESAB на катушка, бобинах, кассетах, упаковках Marathon Pac, а также необходимых аксессуаров
| Бухта тип 02 и 05 | Схема | Изображение |
|
Бухта бескаркасная с лентой. Используется при поставке наплавочных лент на основе высоколегированных сталей и никелевых сплавов шириной 30, 60 и 90 мм. Тип 02-0 (арт. ХХХХ ХХ0 20Х) – 25 кг Тип 05-0 (арт. ХХХХ ХХ0 50Х) – 50 кг Устанавливается на адаптере арт. 0416492880 или 0153872880 |
![]() ![]() |
![]() |
| Бухта тип 03 | Схема | Изображение |
|
Бухта бескаркасная с лентой. Используется при поставке наплавочных лент на основе высоколегированных сталей и никелевых сплавов шириной 30, 60 и 90 мм. Тип 02-0 (арт. ХХХХ ХХ0 20Х) – 25 кг Тип 05-0 (арт. ХХХХ ХХ0 50Х) – 50 кг Устанавливается на адаптере арт. 0416492880 или 0153872880 |
![]() ![]() |
![]() |
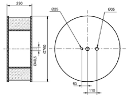
| Бухта BigDrum тип 04 | Схема | Изображение |
|
Бухта проволоки, уложенная свободно в круглую фибровою бочку. Используется при поставке омедненных нелегированных и низколегированных проволок сплошного сечения. Тип 04-0 (арт. ХХХХ ХХ0 40Х) – 280 кг Требуется специальное разматывающее устройство арт. 9900661880 |
![]() |
![]() |
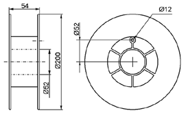
| Бухта BigDrum тип 06 | Схема | Изображение |
|
Бухта проволоки, уложенная свободно в восьмигранную картонную бочку. Используется при поставке омедненных нелегированных и низколегированных проволок сплошного сечения диаметром от 2,5 мм. Тип 06-0 (арт. ХХХХ ХХ0 60Х) – 350 кг Требуется специальное разматывающее устройство арт. 9900661880 |
![]() |
![]() |
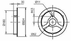
| Бухта тип 18 | Схема | Изображение |
|
Бухта проволоки, уложенная свободно вокруг вокруг специального окрашенного металлического каркаса. Используется при поставке омедненных нелегированных и низколегированных проволок сплошного сечения. Тип 18-4 (арт. ХХХХ ХХ1 84Х) – 800 кг Требуется специальное разматывающее устройство арт. 9900662880 или 9900663880 (без направляющей для проволоки) |
![]() ![]() |
![]() |
| Катушка тип 19 и 21 | Схема | Изображение |
|
Пластиковая катушка, классифицируемая по стандарту EN ISO 544 как S 100 с проволокой нерядной (тип 19) и рядной (тип 21) намотки. Используется при поставке проволок сплошного сечения на основе нелегированных проволок (тип 19-А), никелевых сплавов (тип 19-2) и алюминиевых сплавов (тип 21) Тип 19-А (арт. ХХХХ ХХ1 9АХ) – 2,5 кг Тип 19-2 (арт. ХХХХ ХХ1 92Х) – 2,5 кг Тип 21-0 (арт. ХХХХ ХХ2 10Х) – 0,5 кг |
![]() |
![]() |
| Катушка тип 24 | Схема | Изображение |
|
Пластиковая катушка, классифицируемая по стандарту EN ISO 544 как S 300 с проволокой рядной намотки. Используется при поставке проволок сплошного сечения и порошковых проволок. Тип 24-7 (арт. ХХХХ ХХ2 47Х) – 15 кг Тип 24-8 (арт. ХХХХ ХХ2 48Х) – 12,5 кг |
![]() |
![]() |
| Бухта тип 28 и 31 | Схема | Изображение |
|
Катушка под адаптер, условно классифицируемая по стандарту EN ISO 544 как B 450 с проволокой рядной намоткой на стальном каркасе восьмигранной формы из нелегированной проволоки. Используется при поставке омедненных нелегированных и низколегированных проволок сплошного сечения (тип 28 – омедненный каркас), высоколегированных и никелевых проволок сплошного сечения проволок (тип 31 – крашеный каркас). Тип 28-0 (арт. ХХХХ ХХ2 80Х) – 30 кг Тип 31-1 (арт. ХХХХ ХХ3 11Х) – 25 кг Тип 31-5 (арт. ХХХХ ХХ3 15Х) – 25 кг Устанавливается на адаптере арт. 0416492880 или 0153872880 |
![]() ![]() |
![]() |
| Бухта EcoCoil тип 33 | Схема | Изображение |
|
Бухта проволоки, уложенная свободно вокруг картонной трубы. Используется при поставке омедненных нелегированных и низколегированных проволок сплошного сечения. Тип 33-3 (арт. ХХХХ ХХ3 33Х) – 1000 кг Требуется специальное разматывающее устройство арт. 9900662880 или 9900663880 (без направляющей для проволоки) |
![]() |
![]() |
| Катушка тип 34 | Схема | Изображение |
|
Деревянная бобина, классифицируемая по стандарту EN ISO 544 как S 760Е с проволокой нерядной намотки. Используется при поставке низко- и высоколегированных проволок сплошного сечения. Тип 34-0 (арт. ХХХХ ХХ3 40Х) – 300 кг |
![]() |
![]() |
| Катушка тип 40 | Схема | Изображение |
|
Катушка каркасного типа, не требующая использования адаптеров, классифицируемая по стандарту EN ISO 544 как BS 200 с проволокой рядной намотки. Используется при поставке рутиловых нелегированных порошковых проволок для нужд судостроения, когда пластиковые катушки 46 или 56 могут стать источником возгорания. Тип 40-0 (арт. ХХХХ ХХ4 00Х) – 5 кг |
![]() |
![]() ![]() |
| Катушка тип 46 и 56 | Схема | Изображение |
|
Пластиковая катушка, классифицируемая по стандарту EN ISO 544 как S 200 с проволокой нерядной (тип 46) и рядной (тип 56) намотки. Используется при поставке проволок сплошного сечения на основе железных, никелевых и медных сплавов (тип 46-0), алюминиевых сплавов (тип 46-2), а также порошковых проволок (тип 46-3 и 56). Тип 46-0 (арт. ХХХХ ХХ4 60Х) – 5 кг Тип 46-2 (арт. ХХХХ ХХ4 62Х) – 2 кг Тип 46-3 (арт. ХХХХ ХХ4 63Х) – 4,5 кг Тип 56-0 (арт. ХХХХ ХХ5 60Х) – 5 кг |
![]() |
![]() |
| Бухта тип 52 | Схема | Изображение |
|
Катушка под адаптер с проволокой рядной намоткой на стальном каркасе восьмигранной формы из нелегированной проволоки. Используется при поставке омедненных нелегированных и низколегированных проволок сплошного сечения Тип 52-0 (арт. ХХХХ ХХ5 20Х) – 100 кг Устанавливается на адаптере арт. 0671155480 |
![]() ![]() |
![]() |
| Бухта тип 58 | Схема | Изображение |
|
Бухта проволоки, уложенная свободно в круглую фибровою бочку. Используется при поставке порошковых проволок. Тип 58-0 (арт. ХХХХ ХХ5 80Х) – 300 кг Требуется специальное разматывающее устройство арт. 9900661880 |
![]() ![]() |
![]() ![]() |
| Катушка тип 67 | Схема | Изображение |
|
Катушка каркасного типа, не требующая использования адаптеров, классифицируемая по стандарту EN ISO 544 как BS 300 с проволокой рядной намотки. Используется при поставке омедненных нелегированных и низколегированных проволок сплошного сечения (тип 67-0 и 67-1), а также порошковых проволок (тип 67-3). Тип 67-0 (арт. ХХХХ ХХ6 70Х) – 15 кг Тип 67-1 (арт. ХХХХ ХХ6 71Х) – 18 кг Тип 67-3 (арт. ХХХХ ХХ6 73Х) – 16 кг |
![]() |
![]() |
| Катушка тип 69 и 98 | Схема | Изображение |
|
Катушка каркасного типа, не требующая использования адаптеров, классифицируемая по стандарту EN ISO 544 как KS 300 с проволокой рядной намотки. Используется при поставке неомедненных нелегированных и низколегированных проволок сплошного сечения, выпускаемых под брендом AristoRod (тип 69 –каркас без покрытия), проволок сплошного сечения на основе высоколегированных сталей, никелевых, медных и алюминиевых сплавов, а также порошковых проволок обеспечивающих в наплавленном слое высоколегированную сталь (тип 98 – крашеный каркас). Тип 69-0 (арт. ХХХХ ХХ6 90Х) – 15 кг Тип 69-1 (арт. ХХХХ ХХ6 71Х) – 18 кг Тип 98-2 (арт. ХХХХ ХХ9 82Х) – 15 кг Тип 98-4 (арт. ХХХХ ХХ9 84Х) – 16 кг Тип 98-6 (арт. ХХХХ ХХ9 86Х) – 6 кг Тип 98-7 (арт. ХХХХ ХХ9 84Х) – 7 кг |
![]() |
![]() ![]() |
| Катушка тип 76 и 77 | Схема | Изображение |
|
Катушка под адаптер, классифицируемая по стандарту EN ISO 544 как B 300 с проволокой нерядной (тип 76) и рядной (тип 77) намотки на каркасе круглой формы из нелегированной проволоки. Используется при поставке омедненных нелегированных и низколегированных проволок сплошного сечения (тип 76-0, 77-0, 76-1 и 77-1), а также порошковых проволок (тип 76-3 и 77-7). Тип 76-0 (арт. ХХХХ ХХ7 60Х) – 15 кг Тип 76-1 (арт. ХХХХ ХХ7 61Х) – 18 кг Тип 76-3 (арт. ХХХХ ХХ7 63Х) – 16 кг Тип 77-0 (арт. ХХХХ ХХ7 70Х) – 15 кг Тип 77-1 (арт. ХХХХ ХХ7 71Х) – 18 кг Тип 77-3 (арт. ХХХХ ХХ7 73Х) – 16 кг Устанавливается на адаптере арт. 0349495784 или 2155400000 |
![]() ![]() ![]() |
![]() ![]() |
| Бухта тип 9А | Схема | Изображение |
|
В новой двадцатичетырехгранной картонной упаковке Jumbo MarathonPacTM, не требующей размоточных устройств, поставляются проволоки сплошного сечения на основе нелегированных и низколегированных сталей с омедненной и неомедненной поверхностью, проволоки сплошного сечения на основе высоколегированных сталей. Тип 9А-0 (арт. ХХХХ ХХ9 А0Х) – 500 кг Тип 9А-7 (арт. ХХХХ ХХ9 А7Х - Endless Marathon PacTM) – 2х500 кг Требуются дополнительные аксессуары: 1. Колпак пластиковый арт. F103901001 2. Проволокопровод 1,8 м арт. F102437881 Проволокопровод 3,0 м арт. F102437882 Проволокопровод 4,5 м арт. F102437883 Проволокопровод 6,0 м арт. F102437887 Проволокопровод 8,0 м арт. F102437884 Проволокопровод 12,0 м арт. F102437885 3. Разъем на подающий механизм арт. F102440880 4. Траверса арт. F102537880 5. Тележка арт. F103900880 6. Разъем на колпак арт. F102442880 |
![]() ![]() |
![]() |
| Бухта тип 93 | Схема | Изображение |
|
В ортогональной картонной упаковке Standard Marathon PacTM, не требующей размоточных устройств, поставляются проволоки сплошного сечения на основе нелегированных и низколегированных сталей с омедненной и неомедненной поверхностью, проволоки сплошного сечения на основе высоколегированных сталей, медных и никелевых сплавов, а также порошковые проволоки. Тип 93-0 (арт. ХХХХ ХХ9 30Х) – 200 кг Тип 93-1 (арт. ХХХХ ХХ9 31Х) – 225 кг Тип 93-2 (арт. ХХХХ ХХ9 32Х) – 250 кг Тип 93-7 (арт. ХХХХ ХХ9 37Х) – 250 кг Требуются дополнительные аксессуары: 1. Разъем крышки марафона арт. F102433880 2. Проволокопровод 1,8 м арт. F102437881 Проволокопровод 3,0 м арт. F102437882 Проволокопровод 4,5 м арт. F102437883 Проволокопровод 6,0 м арт. F102437887 Проволокопровод 8,0 м арт. F102437884 Проволокопровод 12,0 м арт. F102437885 3. Разъем на подающий механизм арт. F102440880 4. Траверса арт. F102607880 5. Тележка арт. F102365880 |
![]() ![]() |
![]() |
| Бухта тип 94 | Схема | Изображение |
|
В ортогональной картонной упаковке Jumbo Marathon PacTM, не требующей размоточных устройств, поставляются проволоки сплошного сечения на основе нелегированных и низколегированных сталей с омедненной и неомедненной поверхностью, проволоки сплошного сечения на основе высоколегированных сталей и алюминиевых сплавов, а также порошковые проволоки. Тип 94-0 (арт. ХХХХ ХХ9 40Х) – 475 кг Тип 94-1 (арт. ХХХХ ХХ9 41Х) – 350 кг Тип 94-2 (арт. ХХХХ ХХ9 42Х) – 450 кг Тип 94-3 (арт. ХХХХ ХХ9 43Х) – 400 кг Тип 94-4 (арт. ХХХХ ХХ9 44Х) – 141 кг Тип 94-6 (арт. ХХХХ ХХ9 46Х) – 300 кг Тип 94-8 (арт. ХХХХ ХХ9 48Х) – 141 кг Требуются дополнительные аксессуары: 1. Колпак пластиковый арт. F103901001 2. Проволокопровод 1,8 м арт. F102437881 Проволокопровод 3,0 м арт. F102437882 Проволокопровод 4,5 м арт. F102437883 Проволокопровод 6,0 м арт. F102437887 Проволокопровод 8,0 м арт. F102437884 Проволокопровод 12,0 м арт. F102437885 3. Разъем на подающий механизм арт. F102440880 4. Траверса арт. F102537880 5. Тележка арт. F103900880 6. Разъем на колпак арт. F102442880 |
![]() ![]() |
![]() |
| Бухта тип 95 | Схема | Изображение |
|
В ортогональной картонной упаковке Mini Marathon Pac, не требующей размоточных устройств, поставляются проволоки сплошного сечения на основе высоколегированных сталей и никелевых сплавов. Тип 95-0 (арт. ХХХХ ХХ9 50Х) – 100 кг Требуются дополнительные аксессуары: 1. Разъем крышки марафона арт. F102433880 2. Проволокопровод 1,8 м арт. F102437881 Проволокопровод 3,0 м арт. F102437882 Проволокопровод 4,5 м арт. F102437883 Проволокопровод 6,0 м арт. F102437887 Проволокопровод 8,0 м арт. F102437884 Проволокопровод 12,0 м арт. F102437885 3. Разъем на подающий механизм арт. F102440880 4. Траверса арт. F102607880 5. Тележка арт. F102365880 |
![]() ![]() |
![]() |
| Бухта тип 96 | Схема | Изображение |
|
В ортогональной картонной упаковке Midi Marathon Pac, не требующей размоточных устройств, поставляются проволоки сплошного сечения на основе медных (тип 96-3) и алюминиевых (тип 96-2) сплавов. Тип 96-2 (арт. ХХХХ ХХ9 62Х) – 80 кг Тип 96-3 (арт. ХХХХ ХХ9 63Х) – 200 кг Требуются дополнительные аксессуары: 1. Колпак пластиковый арт. F103901001 2. Проволокопровод 1,8 м арт. F102437881 3,0 м арт. F102437882 4,5 м арт. F102437883 6,0 м арт. F102437887 8,0 м арт. F102437884 12,0 м арт. F102437885 3. Разъем на подающий механизм арт. F102440880 4. Траверса арт. F102537880 5. Тележка арт. F103900880 6. Разъем на колпак арт. F102442880 |
![]() ![]() |
![]() |
Товары





























































