Трактор-автомат ESAB A2 Multitrac SAW с блоком PEK
A2 Multitrac с блоком PEK используется для сварки под флюсом и для сварки в защитных газах. Сварка под флюсом может проводиться как одной, так и двумя проволоками ( расщепленной дугой). Механизм подачи обеспечивает равномерную и стабильную подачу проволоки. Компактная конструкция позволяет легко переносить A2 Multitrac с одного изделия на другое. Точное перемещение трактора обеспечивается полным приводом. Компоненты имеют прочную конструкцию и позволяют эксплуатировать его в самых тяжелых условиях. Электронная система управления с цифровым дисплеем позволяет программировать и управлять всеми сварочными параметрами.
Сварочный трактор ESAB A2 Multitrac SAW с блоком управления РЕК используется для сварки и наплавки под слоем флюса. Могут оснащаться комплектами для сварки двумя проволоками расщеплённой дугой (TWIN), сварки в защитных газах и воздушно-дуговой строжки. Механизм подачи с устройством спрямления, обеспечивает стабильную и равномерную подачу проволоки, уменьшает износ контактных частей и повышает стабильность сварочных процессов.
Особенности трактора A2
- Флюсовый бункер 6 литров с возможностью установки системы рециркуляции флюса
- Подающий механизм с контролем скорости подачи
- Устройство спрямления проволоки
- Суппорта изменения угла наклона сварочной головы
- Подпружиненный целеуказатель
- Опорные направляющие ролики для сварки тавровых соединений
- Многофункциональный русифицированный блок управления
- Ступица с тормозящим усилием для катушки с проволокой
- Возможность поворота на 360° вокруг центральной стойки
- Слайдеры с ручной регулировкой для вертикального и горизонтального позиционирования
- Привод на 4 колеса с контролем скорости. Отключаемый – «нейтральная» скорость

Ручные механические слайдеры перемещения сварочной головы в вертикальном и горизонтальном положении и возможность поворота основной стойки дают возможность простого и быстрого позиционирования сварочной головы относительно стыка. Компактная конструкция позволяет легко переносить А2 Multitrac с одного изделия на другое. Точное перемещение трактора обеспечивается полным приводом. Трактор имеет прочную, хорошо сбалансированную конструкцию. Компоненты трактора выполнены из качественных материалов с высокой точностью, что позволяет эксплуатировать его в тяжёлых условиях. Трактор оснащён современным цифровым блоком управления PEK, обеспечивающим высокое и стабильное качество сварки.
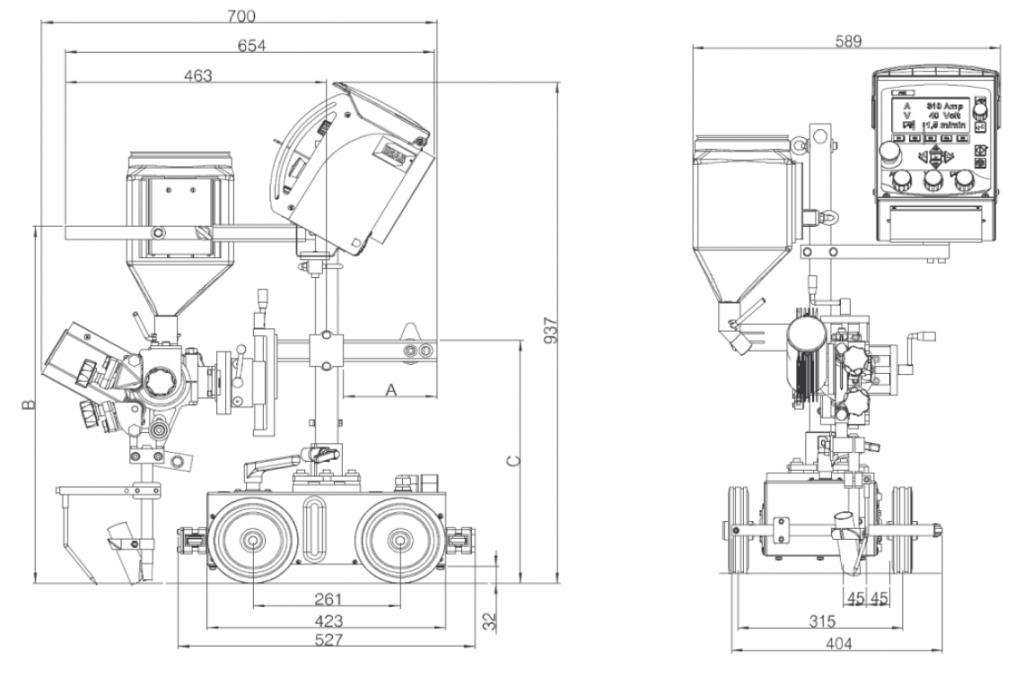
Благодаря модульной конструкции трактора, базовые геометрические размеры могут быть изменены в зависимости от задачи. Рекомендованные базовые значения B – 668 мм, С – 455 мм, как для сварки стыковых, так и для угловых швов.

Технические характеристики A2 Multitrac (А2 Мультитрак) с блоком PEK
| Технические характеристики | SAW |
| Напряжения питания, В | 42 |
| Допустимая нагрузка при ПВ 100%, А | 800 |
| Диаметры сплошной проволоки, мм | 1,6 - 4,0 |
| Диаметры порошковой проволоки, мм | 1,6 - 4,0 |
| Двойная расщеплённой дугой TWIN, мм | 2 х 1,2 – 2,5 |
| Скорость подачи проволоки, м/мин | 0,2 – 9,0 |
| Скорость перемещения, м/мин | 0,1 – 2,0 |
| Мин. радиус при сварке по окружности, мм | 1500 |
| Мин. Ø при сварке внутренних кольцевых швов, мм | 1100 |
| Мин. Ø люка для сварки внутри изделия, мм | 400 |
| Масса без флюса и проволоки, кг: | 47 |
| Классификация по энергосбережению | А |
| Технические характеристики | Сварка под флюсом одной проволокой | Сварка под флюсом расщепленной дугой | МИГ/МАГ одной проволокой | МИГ/МАГ с горелкой MTW 600 |
| Габаритные размеры, ДxШxВ, мм | 870x400x830 | 870x400x830 | 870x400x830 | 870x400x830 |
| Масса, кг | 47 | 47 | 43 | 43 |
| Скорость подачи проволоки, м/мин | до 9 | до 9 | до 16 | до 16 |
| Скорость сварки, м/мин | 0,1-1,7 | 0,1-1,7 | 0,1-1,7 | 0,1-1,7 |
| Углеродистая проволока сплошного сечения Ø, мм | 1,6-4,0-5,0 | 2x1,2-2,5 | 0,8-1,6 | 0,8-1,6 |
| Нержавеющая проволока Ø, мм | 1,6-4,0 | 2x1,2-2,5 | 0,8-1,6 | 0,8-1,6 |
| Алюминиевая Ø, мм | - | - | 1,2-1,6 | 1,0-2,0 |
| Порошковая проволока Ø, мм | 1,6-4,0 | - | 1,2-2,4 | 1,0-2,0 |
Блок управления РЕK

Оборудование для автоматической сварки ESAB, оснащённое блоком управления PEK позволяет как повысить производительность, так и существенно повысить качество сварных швов и его стабильность, за счёт прогрессивной цифровой системы контроля и управления всеми параметрами, влияющими на сварочный процесс.
Блок управления PEK имеет удобный, дружелюбный русифицированный интерфейс, позволяющий независимо от квалификации сварщика, быстро его изучить и начать работу. На ярком дисплее с хорошо читаемыми символами отображаются:
- Скорость подачи проволоки
- Сила сварочного тока
- Напряжение
- Скорость перемещения
- Тепловложение
- Тип сварки
- Направление движения
- Диаметр проволоки
- Номер ячейки памяти
- Полоса прокрутки

Возможности блока управления ESAB PEK
- Меню на русском языке – дружелюбный интерфейс и эргономичное управление
- Обратная связь по скорости движения – движение с постоянной скоростью
- Обратная связь по скорости подачи проволоки – стабильная скорость подачи
- Обратная связь по напряжению – стабильное напряжение при сварке
- Преднастройки режимов сварки – выставление точных значений сварочных параметров
- Заварка кратера – предотвращает образование термического растрескивания и кратера
- Отжиг проволоки – предотвращает залипание сварочной проволоки
- Класс защиты IP 23 – работа в тяжёлых условиях
- Универсальность – сварка под флюсом, в защитных газах, воздушно-дуговая строжка
Особенности блока управления PEK
- 255 ячеек памяти – сокращает время на обучение персонала и подготовки к сварке
- Статистика производительности – учёт расхода сварочных материалов
- Обеспечение качества – промежуточный и посменный контроль работы операторов
- Предельные значения – обеспечивают соблюдение технологии сварки
- 16 учётных записей – определение оператора выполнившего соединение
- Расчёт тепловложения – контроль над деформациями, охрупчиванием околошовной зоны
- Программируемые кнопки – быстрый доступ к наиболее востребованным функциям
- Управление файлами – копирование параметров на ПК и другой блок управления
- Журнал ошибок – самотестирование оборудования, быстрое восстановление работы
- Характеристики сварочных кабелей – компенсация потери напряжения
- Управление газовым клапаном – обеспечивает защиту шва до и после сварки
- Управление флюсовым клапаном – дистанционное открытие и закрытие
Информация для заказа сварочного трактора A2 Multitrac SAW PEК
| Артикул | Наименование |
| 0461233880 | Сварочный трактор A2 Multitrac SAW PEK |
| 0153872880 | Кассета-адаптер d 294 мм, пластиковый |
| 0460513880 | Сварочный выпрямитель LAF 1001, 800А 100% ПВ |
| 0154623005 | Контактный наконечник M12 А2 Singl, Ø 3,0 мм |
| 0218510298 | Подающий ролик A2/A6 SAW/MIG-MAG Ø 3,0-3,2 мм |
| Комплекты сварочных кабелей | |
| 0460663981 | Комплект кабелей для LAF 1001, 24 метра |
| 0413768898 | Сварочный кабель обжатый, 95 мм2, 10 м (2 шт.) |
| 0413768882 | Сварочный кабель обжатый, 95 мм2, 24 м (2 шт.) |
| 0460910882 | Кабель управления PEK - LAF/TAF, 25 м |
| 0820129881 | Кабель обратной связи обжатый, 10 м |
| 0160288001 | Зажим обратного кабеля EG 600 (2 шт.) |
Для покупки товара в нашем интернет-магазине выберите понравившийся товар и добавьте его в корзину. Далее перейдите в Корзину и нажмите на «Оформить заказ» или «Быстрый заказ».
Когда оформляете быстрый заказ, напишите ФИО, телефон и e-mail. Вам перезвонит менеджер и уточнит условия заказа. По результатам разговора вам придет подтверждение оформления товара на почту или через СМС. Теперь останется только ждать доставки и радоваться новой покупке.
Оформление заказа в стандартном режиме выглядит следующим образом. Заполняете полностью форму по последовательным этапам: адрес, способ доставки, оплаты, данные о себе. Советуем в комментарии к заказу написать информацию, которая поможет курьеру вас найти. Нажмите кнопку «Оформить заказ».
«Компания ТНД» — официальный дистрибьютор концернов ESAB и GCE KRASS. Мы предлагаем удобные и гибкие способы оплаты, адаптированные как для юридических лиц (организаций), так и для физических лиц.
Для юридических лиц:
- Оплата по безналичному расчёту с НДС. Оформление происходит на основании выставленного счёта, спецификации или договора, который оформляют наши менеджеры.
- После подтверждения оплаты (поступления денежных средств на наш расчётный счёт) возможна отгрузка: самовывоз с нашего склада или доставка через транспортные компании. При оформлении отгрузки предоставляются оригиналы документов — товарная накладная ТОРГ-12 и счёт-фактура.
- Отсрочка платежа: возможна для организаций при заключении долгосрочных договорных отношений.
Для физических лиц:
- При самовывозе в офисе: оплата наличными или картой.
- Онлайн-оплата: по выставленному счёту через сервис электронных платежей Юмани. На сайте Юмани можно оплатить с любой российской банковской карты (Visa, Mastercard, UnionPay, «Мир»), даже если карта не привязана к кошельку. Поддерживаются также платежи из электронных кошельков, через интернет-банкинг, наличными, по QR-кодам и др.
- Рассрочка через Т-Банк: решение по заявке занимает 1–2 минуты, оформление происходит через СМС-подписание без встреч и лишних документов. Условия индивидуальны и зависят от суммы и срока, обычно рассрочка предоставляется на сумму от 3 до 200 тысяч рублей на срок от 3 месяцев до 3 лет.
- Оплата при получении товара: оплата наличными или картой курьерским службам (CDEK, «Достависта») либо через Почту России.
Наши специалисты всегда готовы помочь вам выбрать наиболее удобный способ оплаты и оформить заказ на качественную продукцию ESAB и GCE KRASS.
Обратите внимание, что для некоторых товаров со статусом «НЕТ В НАЛИЧИИ» или «под заказ» менеджер может запросить предоплату для оформления заказа.
Для юридических лиц
(по предоплате или по договору с отсрочкой)
- Доставка по РФ через ТК "Деловые линии" (бесплатно до терминала в Москве)
- Доставка любой транспортной компанией на Ваш выбор
- Доставка по Москве и Московской области
- Бесплатная доставка электродов ОК 46.00 по Москве (внутри МКАД) от 150 кг
- Доставка через СДЭК
- Самовывоз с оптового склада: ул. Плеханова, 12с4
Для физических лиц
(предоплата или оплата при получении)
- Курьер по Москве (внутри МКАД): от 400 руб. (до 10 кг)
- Экспресс-доставка Яндекс GO по тарифам сервиса
- Почта России (не более 100 000 руб.)
- СДЭК (пункты выдачи: склад-склад и курьерская доставка склад-дверь, бесплатная отправка до склада в Москве)
- Транспортные компании: "Деловые линии" или любая на выбор
- Самовывоз из магазина Москва, ул.Электродная 11, оф.107


